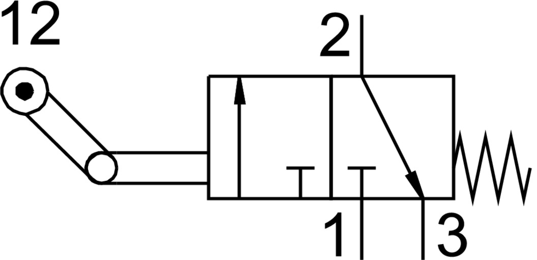
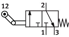
Toggle lever valve with idle return

L-3-M5

3628

Technical Data

  • Valve function3/2-way, closed, monostable
  • Type of actuationMechanical
  • Standard nominal flow rate (standardised to DIN 1343)80 l/min
  • pneumatic working portM5
  • Operating pressure-0.95 bar ... 8 bar
  • DesignPoppet seat
  • Nominal size2 mm
  • Type of pilotingDirect
  • Symbol00991096
  • Operating mediumCompressed air to ISO 8573-1:2010 [-:-:-]
  • Note on operating and pilot mediumLubricated operation possible (in which case lubricated operation will always be required)
  • LABS (PWIS) conformityVDMA24364-B1/B2-L
  • Ambient temperature-10 °C ... 60 °C
  • Actuating force16.5 N
  • Product weight43 g
  • Type of mountingWith through-hole
  • Pneumatic connection, port 1M5
  • Pneumatic connection, port 2M5
  • Material sealsNBR
  • Material housingDie-cast zinc

GTIN: 4052568064402

Downloads

VMEM_EN.PDF

Technical data

Reliability datasheet

Links

Spare parts

Toggle lever valve with idle return

Toggle lever valve with idle return

SKU 3628
Brand FESTO
Shipping Weight 1.0000kg
Shipping Width 0.080m
Shipping Height 0.200m
Shipping Length 0.200m

Be The First To Review This Product!

Help other Screw Compressor Spares users shop smarter by writing reviews for products you have purchased.

Write a product review

More From This Category