Product Lifecycle Information

 
 

Product is planned to be discontinued. Do not use for new designs.

 

06/2025 - Product is being phased out. Do not use for new designs.

 
 

12/2026 - Product is discontinued. Products for replacement may be available while stocks permit.

 
 

12/2026 - Product is discontinued.

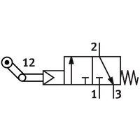
Toggle lever valve

LS-3-1/8

2186

Technical Data

  • Valve function3/2-way, closed, monostable
  • Type of actuationMechanical
  • Standard nominal flow rate (standardised to DIN 1343)146 l/min
  • pneumatic working portG1/8
  • Operating pressure0.35 MPa ... 0.8 MPa
  • Operating pressure3.5 bar ... 8 bar
  • DesignPoppet seat
  • Type of resetMechanical spring
  • Nominal size3.5 mm
  • Exhaust-air functionWith flow control option
  • Sealing principleSoft
  • Mounting positionoptional
  • Type of pilotingPilot actuated
  • Pilot air supplyInternal
  • Flow directionNon-reversible
  • Symbol00991104
  • Pilot mediumCompressed air to ISO 8573-1:2010 [-:-:-]
  • Note on forced dynamizationSwitching frequency min. 1/year
  • Operating mediumCompressed air to ISO 8573-1:2010 [-:-:-]
  • Note on operating and pilot mediumLubricated operation possible (in which case lubricated operation will always be required)
  • Corrosion resistance class CRC2 - Moderate corrosion stress
  • LABS (PWIS) conformityVDMA24364-B1/B2-L
  • Media temperature-10 °C ... 60 °C
  • Ambient temperature-10 °C ... 60 °C
  • Actuating force1.67 N
  • Product weight110 g
  • Type of mountingWith through-hole
  • Pneumatic connection, port 1G1/8
  • Pneumatic connection, port 2G1/8
  • Pneumatic connection, port 3G1/8
  • Note on materialsRoHS-compliant
  • Material sealsNBR
  • Material housingAnodised

GTIN: 4052568008239

 

VMEM_EN.PDF

Toggle lever valve

Toggle lever valve

 

SKU 2186
Brand FESTO
Shipping Weight 1.0000kg
Shipping Width 0.080m
Shipping Height 0.200m
Shipping Length 0.200m

Be The First To Review This Product!

Help other Screw Compressor Spares users shop smarter by writing reviews for products you have purchased.

Write a product review

More From This Category