Limit valve

SVK-3-PK-3

12146

 

 

GTIN: 4052568009120

 

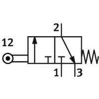
Valve function
3/2-way, closed, monostable
Standard nominal flow rate (standardised to DIN 1343)
50 l/min
Nominal size
1.5 mm
pneumatic working port
PK-3
Operating pressure
-0.9 bar - 8 bar

Technical Data

  • Valve function3/2-way, closed, monostable
  • Type of actuationMechanical
  • Standard nominal flow rate (standardised to DIN 1343)50 l/min
  • pneumatic working portPK-3
  • Operating pressure-0.9 bar ... 8 bar
  • DesignBall seat
  • Type of resetMechanical spring
  • Nominal size1.5 mm
  • Sealing principleSoft
  • Mounting positionoptional
  • Type of pilotingDirect
  • Flow directionNon-reversible
  • Symbol00991097
  • Operating mediumCompressed air to ISO 8573-1:2010 [7:4:4]
  • Note on operating and pilot mediumLubricated operation possible (in which case lubricated operation will always be required)
  • LABS (PWIS) conformityVDMA24364 zone III
  • Media temperature-10 °C ... 80 °C
  • Ambient temperature-10 °C ... 80 °C
  • Type of mountingWith through-hole
  • Pneumatic connection, port 1PK-3
  • Pneumatic connection, port 2PK-3
  • Pneumatic connection, port 3Not ducted
SKU 12146
Brand FESTO
Shipping Weight 1.0000kg
Shipping Width 0.080m
Shipping Height 0.200m
Shipping Length 0.200m

Be The First To Review This Product!

Help other Screw Compressor Spares users shop smarter by writing reviews for products you have purchased.

Write a product review

More From This Category