CPV14-M1H-2X3-GLS-1/8 Solenoid valve FESTO
CPV14-M1H-2X3-GLS-1/8
Solenoid valve FESTO
CPV14-M1H-2X3-GLS-1/8
161362
GTIN: 4052568012366
Downloads
Links
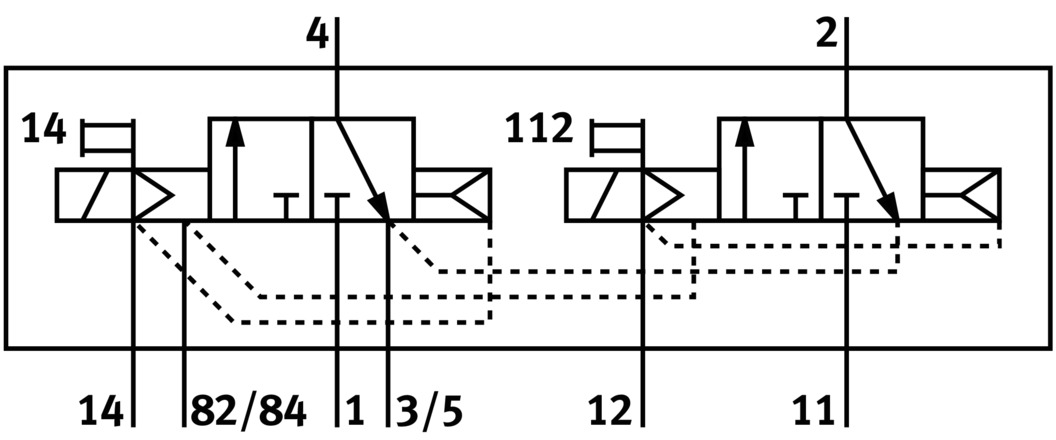
Valve function
2x3/2-way, monostable, closed
Standard nominal flow rate (standardised to DIN 1343) 800 l/min
Pneumatic connection, port 1 Common line
Type of actuation Electric


Technical Data
- Valve function2x3/2-way, monostable, closed
- Type of actuation Electric
- Valve size14 mm
- Standard nominal flow rate (standardised to DIN 1343) 800 l/min
- pneumatic working port G1/8
- Operating voltage 24V DC
- Operating pressure -0.09 MPa ... 1 MPa
- Operating pressure -0.9 bar ... 10 bar
- DesignPiston gate valve
- Type of reset Pneumatic spring
- Degree of protection IP65
- Nominal size 6 mm
- Exhaust-air function Without flow control option
- Sealing principle Soft
- Mounting position optional
- Manual override Detenting Non-detenting
- Type of piloting Pilot actuated
- Pilot air supply External Internal
- Flow direction Non-reversible
- Symbol 00991808
- lap Overlap
- Pilot pressure 0.3 MPa ... 0.8 MPa
- Pilot pressure 3 bar ... 8 bar
- b value 0.42
- C value 3.2 l/sbar
- Switching time off 30 ms
- Switching time on 24 ms
- Duty cycle100% in conjunction with holding current reduction
- Electrical power consumption 0.65 W
- Max. positive test pulse with 0 signal 1400 µs
- Max. negative test pulse with 1 signal 400 µs
- Operating medium Compressed air to ISO 8573-1:2010 [7:4:4]
- Note on operating and pilot mediumLubricated operation possible (in which case lubricated operation will always be required)
- Vibration resistance Transport application test with severity level 2 to FN 942017-4 and EN 60068-2-6
- Shock resistance Shock test with severity level 2 to FN 942017-5 and EN 60068-2-27
- Corrosion resistance class CRC2 - Moderate corrosion stress
- LABS (PWIS) conformity VDMA24364-B1/B2-L
- Storage temperature -20 °C ... 40 °C
- Media temperature -5 °C ... 50 °C
- Ambient temperature -5 °C ... 50 °C
- Product weight 120 g
- Type of mounting With through-hole
- Pilot air port 12/14 Common line
- Pilot exhaust port 82/84 Common line
- Pneumatic connection, port 1 Common line
- Pneumatic connection, port 11 Common line
- Pneumatic connection, port 2 G1/8
- Pneumatic connection 3/5 combined Common line
- Pneumatic connection, port 4 G1/8
- Note on materials RoHS-compliant
- Material seals HNBR NBR
- Material housingDie-cast aluminium Brass POM PPS Steel
(161362)
| SKU | 161362 |
| Brand | FESTO |
| Shipping Weight | 1.0000kg |
| Shipping Width | 0.080m |
| Shipping Height | 0.200m |
| Shipping Length | 0.200m |
Be The First To Review This Product!
Help other Screw Compressor Spares users shop smarter by writing reviews for products you have purchased.