Product Lifecycle Information

 

Product is planned to be discontinued. Do not use for new designs.

 
 

01/2027 - Product is being phased out. Do not use for new designs.

 
 

11/2028 - Product is discontinued. Products for replacement may be available while stocks permit.

 
 

12/2028 - Product is discontinued.

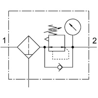
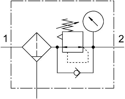
Filter regulator

LFR-3/4-D-MAXI

159632

 

 

GTIN: 4052568006358

 

Technical Data

  • SizeMaxi
  • SeriesD
  • Actuator lockRotary knob with detent
  • Mounting positionVertical +/-5°
  • Grade of filtration40 µm
  • Condensate drainManually rotating
  • DesignFilter regulator with pressure gauge
  • Max. condensate volume80 ml
  • Bowl guardMetal bowl guard
  • Symbol00991589
  • Pressure gauge (ANALOG) or Pressure display (DIGITAL)With pressure gauge
  • Operating pressure0.1 MPa ... 1.6 MPa
  • Operating pressure1 bar ... 16 bar
  • Pressure regulation range0.5 bar ... 12 bar
  • Max. pressure hysteresis0.4 bar
  • Standard nominal flow rate (standardised to DIN 1343)9700 l/min
  • Operating mediumInert gases
  • Note on operating and pilot mediumLubricated operation possible (in which case lubricated operation will always be required)
  • Corrosion resistance class CRC2 - Moderate corrosion stress
  • LABS (PWIS) conformityVDMA24364-B1/B2-L
  • Storage temperature-10 °C ... 60 °C
  • Air purity class at outputCompressed air to ISO 8573-1:2010 [7:8:4] Inert gases
  • Media temperature-10 °C ... 60 °C
  • Ambient temperature-10 °C ... 60 °C
  • Product weight1370 g
  • Type of mountingWith accessories
  • Pneumatic connection, port 1G3/4
  • Pneumatic connection, port 2G3/4
  • Note on materialsRoHS-compliant
  • Material housingDie-cast zinc
  • Material bowlPC
Pneumatic connection, port 1
G3/4
Standard nominal flow rate (standardised to DIN 1343)
9700 l/min
Pressure regulation range
0.5 bar - 12 bar
Grade of filtration
40 µm
 
 
SKU 159632
Brand FESTO
Shipping Weight 1.0000kg
Shipping Width 0.080m
Shipping Height 0.200m
Shipping Length 0.200m

Be The First To Review This Product!

Help other Screw Compressor Spares users shop smarter by writing reviews for products you have purchased.

Write a product review

More From This Category